Search By Product Name Or Number
Search hundreds of entries to find the exact Link product literature you need.
434 documents found
(page 6 of 19)
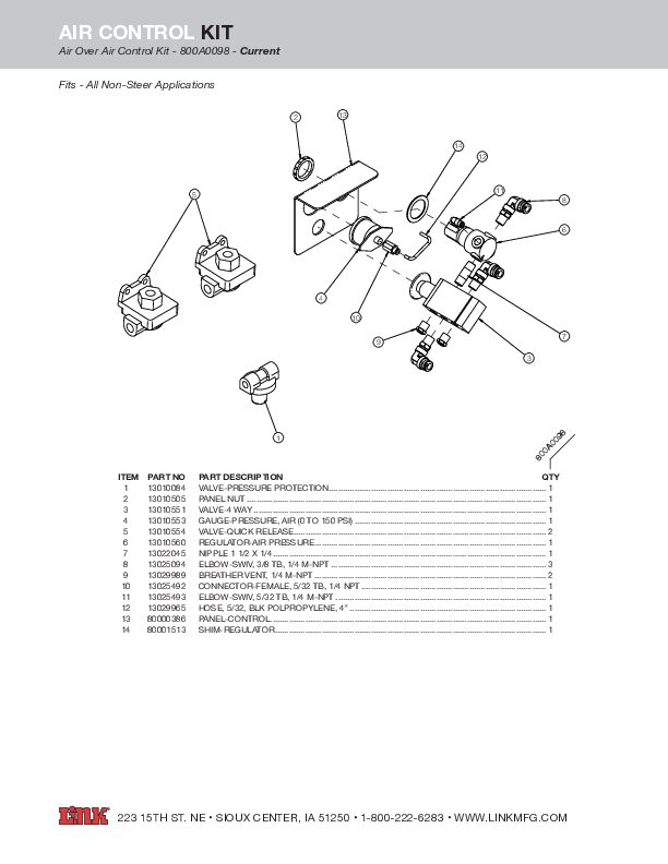
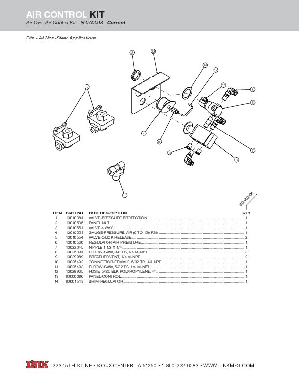
Air Over Air Control Kit • Non-Steerable Installation Instructions
- 800A0098
- 8A000900
- 8A000901
- 8A000904
- 8A000905
- …
Brake Service Kit • Steerable Installation Instructions
- 4AS00020
- 8A000744
- 8A000745
- 8A000746
- 8A000747
- …






















