Search By Product Name Or Number
Search hundreds of entries to find the exact Link product literature you need.
429 documents found
(page 5 of 18)

6x4 With Pressure Sensor - SPANISH • SmartValve Installation Instructions
- H00700R1A
- H00700R2A
- H00700R3A
- H00700R4A
- H00700R5A
- …

6x4 With Two Button • SmartValve Installation Instructions
- H00700PK
- HPB700-79
- H00700R21A
- H00700R22A
- H00700R23A
- …

8K & 10K Integrated Fender Kit • Steerable Installation Instructions
- 800A0201
- 8A000744
- 8A000745
- 8A000746
- 8A000747
- …

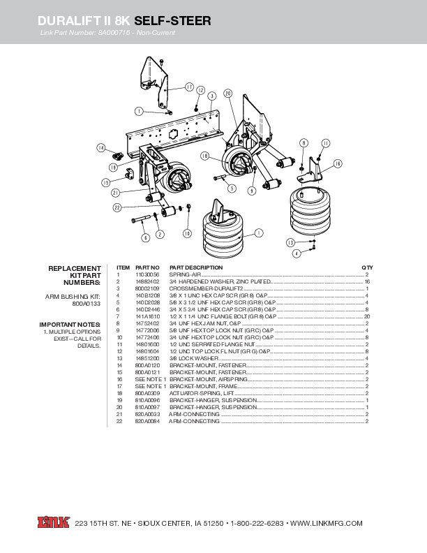
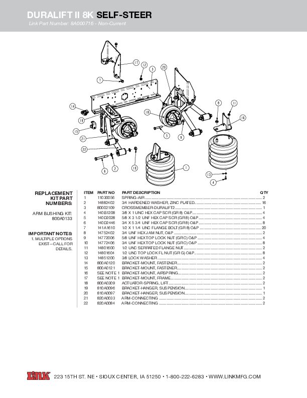
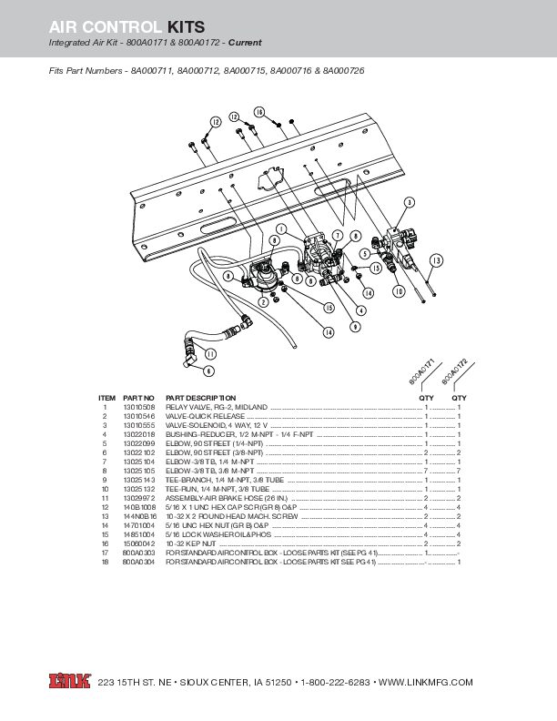
8K DuraLift II Air Control Kit • Steerable Installation Instructions
- 800A0171
- 800A0172
- 8A000716
- 8A000711
- 8A000712
- …



















