Search By Product Name Or Number
Search hundreds of entries to find the exact Link product literature you need.
8K DuraLift II Air Control Kit • Steerable Installation Instructions
- 800A0171
- 800A0172
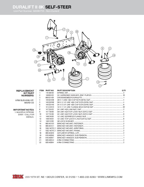
- 8A000716
- 8A000711
- 8A000712
- …
8K DuraLift II Air Control Kit • Steerable Parts List
- 800A0171
- 800A0172
- 8A000711
- 8A000712
- 8A000715
- …
Brake Service Kit • Steerable Installation Instructions
- 4AS00020
- 8A000744
- 8A000745
- 8A000746
- 8A000747
- …
Front Frame Bracket • Steerable Installation Instructions
- 8A000850
- 8A000852
- 8A000744
- 8A000745
- 8A000746
- …
Integrated Air Control Kit • Steerable Installation Instructions
- 13501023
- 13501024
- 8A000745
- 8A000747
- 8A000749
- …
Knuckle Assembly • Steerable Installation Instructions
- 4AS00007
- 4AS00008
- 8A000744
- 8A000745
- 8A000746
- …


















